上海吾爱论坛

你好啊,接持惠臨樂清市春虹光電無限的公司的
樂清市春虹自動化無限小公司的

泉源廠家, 撐持定制,知心折務,雙贏將來

江湖商談咨詢熱線: 0577-61316969
接洽咱們
樂清市春虹電子無限公司
征詢熱線:18968817571
公司德律風:0577-61316969
公司地點:浙江省樂清市虹橋鎮模具中間二區D棟

帶燈輕觸開關選春虹

天下官網洽談德律風: 0577-61316969

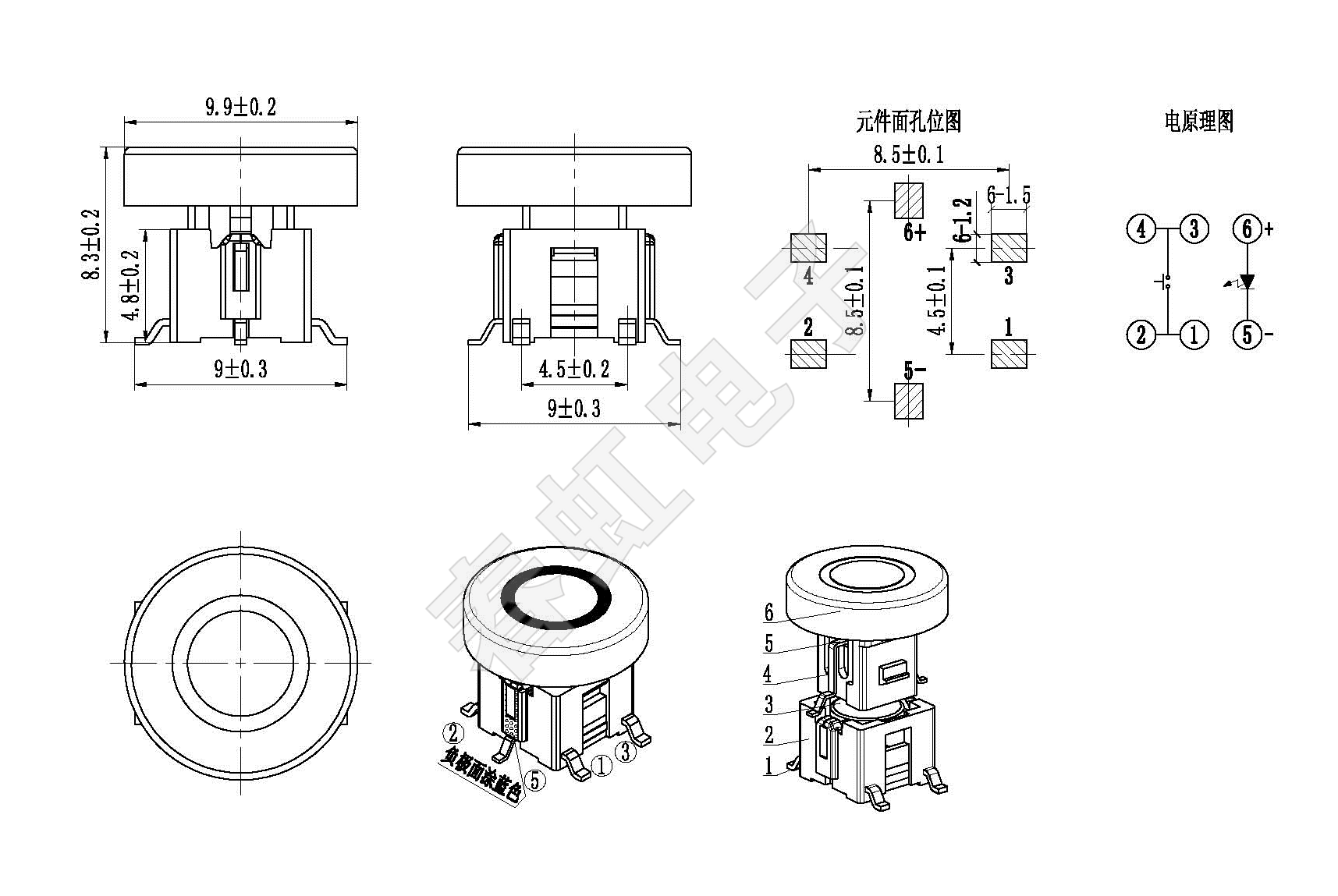
帶燈6x7.2系列

型號:KFCA0650-8.3H

的天氣品質: -25°C至75°C增加值: 30V DC,30mA開戰功率電阻: ≤0.05Ω耐電流值: 250V AC絕緣性電阻值: ≥100MΩ新措施力: 260gf±50gf/160gf±50gf人類壽命: 10W times鹽霧研究: 12±1 hours燈色:紅/藍/綠/白/紅藍白/紅綠等帽孑流程的分類:本質/黑漆/銀漆


產物概況

0650-2.png

創春虹加盟品牌、爭當先進隊伍、先進個人品德、先進的企業
0577-61316969